-
Menu
-
-
Rozdzielnice navigate_next
-
-
Rozdzielnice Rozdzielnice
-
-
-
-
Gniazda navigate_next
-
-
Łączniki światła navigate_next
-
-
Osprzęt siłowy navigate_next
-
-
Puszki navigate_next
-
-
-
-
Sterowanie i zabezpieczenie silników elektrycznych navigate_next
-
-
Sterowanie i zabezpieczenie silników elektrycznych Sterowanie i zabezpieczenie silników elektrycznych
-
-
-
Automatyka budynkowa navigate_next
-
-
Wyłączniki i rozłączniki navigate_next
-
-
Włączniki i rozłączniki Włączniki i rozłączniki
-
-
-
Szyny navigate_next
-
-
Ochrona odgromowa navigate_next
-
-
Wkładki topikowe/ bezpiecznikowe navigate_next
-
-
-
-
Kable energetyczne navigate_next
-
-
Przewody instalacyjne navigate_next
-
-
Przedłużacze navigate_next
-
-
-
-
Oświetlenie zewnętrzne navigate_next
-
-
Oświetlenie zewnętrzne Oświetlenie zewnętrzne
-
-
-
Źródła Światła navigate_next
-
-
Oświetlenie wewnętrzne navigate_next
-
-
Oświetlenie techniczne navigate_next
-
-
-
-
Taśmy i izolacje navigate_next
-
-
Producenci
-
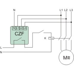
Czujnik zaniku fazy CZF-B
Opis produktu:
- Stały próg asymetrii napięciowej zadziałania
- Styk 1NO
- Czujnik zaniku fazy przeznaczony do zabezpieczenia silnika elektrycznego zasilanego z sieci trójfazowej w przypadkach zaniku napięcia w co najmniej jednej fazie lub asymetrii napięć między fazami, grożącymi zniszczeniem silnika.
Zasada działania czujników zaniku fazy:
- Zanik napięcia w co najmniej jednej, dowolnej fazie lub asymetria napięciowa między fazami powyżej progu zadziałania spowoduje wyłączenie silnika. Wyłączenie nastąpi z opóźnieniem 4 s. Opóźnienie wyłączenia zapobiega przypadkowemu odłączeniu silnika przy chwilowym spadku napięcia. Ponowne załączenie nastąpi automatycznie przy wzroście napięcia o 5 V powyżej napięcia zadziałania (tj. o wartość histerezy napięciowej). Przy powyższych anomaliach styk przekaźnika jest rozłączony i uruchomienie silnika jest niemożliwe.
Dane techniczne:
- Napięcie zasilania: 3 × 400 V + N
- Współpraca z agregatami prądotwórczymi:NIE
- Kontrola zaniku / asymetrii faz: TAK
- Kontrola kolejności faz: NIE
- Kontrola styków stycznika: NIE
- Element wykonawczy: przekaźnik
- Maksymalny prąd obciążenia: 10 A
- Konfiguracja styków: 1 × NO
- Separacja styku: TAK
- Asymetria napięciowa zadziałania: 55 V
- Histereza napięciowa: 5 V
- Opóźnienie wyłączenia: 4 s
- Kontrola zasilania: 3 × LED zielona
- Przyłącze: zaciski śrubowe 4,0 mm²
- Moment dokręcający: 0,5 Nm
- Pobór mocy: 1,6 W
- Temperatura pracy: -25÷40°C
- Wymiary: 2 moduły (35 mm)
- Montaż: na szynie 35 mm
- Stopień ochrony: IP20
- Kod producenta
- CZF-B
- EAN (GTIN)
- 5908312593041
Opinie (0)
Dowiedz się, co nasi klienci mówią o tym produkcie
0.00/5
(0 Opinii)
Chwilowo nie możesz polubić tej opinii
Zgłoś komentarz
Czy jesteś pewien, że chcesz zgłosić ten komentarz?
Zgłoszenie wysłane
Twój komentarz został wysłany i będzie widoczny po zatwierdzeniu przez moderatora.
Twoje zgłoszenie nie może zostać wysłane
Opinia została wysłana
Twój komentarz został dodany i będzie widoczny jak tylko zatwierdzi go moderator.
Twoja opinia nie może być wysłana
Zobacz również
Rozdzielnie i obudowy
Gniazda i łączniki
Systemy mocowania
Instalacje elektryczne
Kable i przewody
Oświetlenie
Artykuły Elektryczne
Narzędzia